Lovely Cube "Premium" が出て黒いフロントパネルが良いなぁと思ってましたが、部品の面では出力抵抗が金皮抵抗から巻線抵抗に変更になっているみたいです。
Lovely Cube Premium
http://www.alicemagicbox.com/lasercollection/lovelycubepremium.html
Inside :
Premiumの説明では上の文章だけだったので、パネルと端子の違いだけだったらそんなに違わないなと思っていたんですが、Premiumを購入した方から写真を見せてもらったら出力抵抗がグレードアップしてました。
- Lovely Cube board (stock OPA 2134)
- Talema 30VA Toroidal Transformer
- Neutrik GOLD PLATED headphone jack
- Higher Quality RCA in/out socket
- Black Panel with logo
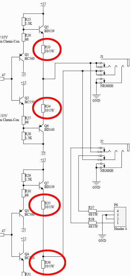
回路図ではここ。(赤い丸の部分)
私のLovely CubeではMロゴ入りだから、Panasonic製の1W、酸化金属皮膜抵抗。
Premiumで使われている出力抵抗が Dale CW-2B という巻線抵抗だってことはわかったんですが、この巻線抵抗、日本だとなかなか入手しにくいもののようです。
Mouserだとこのへん。
http://jp.mouser.com:80/Search/Refine.aspx?Keyword=71-CW2B-J-
同じDaleの巻線抵抗でも「無誘導巻線抵抗」になると1本400円以上(DaleのNSシリーズ)だったりして、計4本となると結構なお値段に。
そういう意味でもDale CWシリーズという選択肢があるとちょっと試そうかという気になるのですが、日本だとなぜか入手困難なわけです。
そこでお世話になっているLovely CubeのStephen氏に無理を言って送ってもらうことになりました。。(感謝してます!>Mr. Stephen)
出力抵抗を交換するのはまた後日ということで。


0 件のコメント:
コメントを投稿